Stationäre Laserschweißanlage (SL) Faserlaser
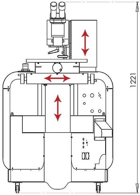
Die stationäre Laseranlage "SL" ist ein zuverlässiges und kompaktes System für die Instandsetzungen von Werkzeugen bis
250 kg. Die standardmäßig offene Bauweise ermöglicht eine hohe Ergonomie des Bedieners bei Dauereinsatz und eine einfache Handhabung des Systems.
|
Die modulare Bauweise gestattet die optionale Umrüstung der Anlage auf eine geschlossene Version. Damit kann ,,SL'' durch eine einfache Erweiterung, je nach betrieblicher Gegebenheit, wahlweise als Laser-Klasse 1 oder 4 betrieben werden.
Durch die intelligente Konstruktion kann ,,SL" jederzeit auf eine mobile Version aufgerüstet werden. Mit zwei motorischen
Z-Säulen ausgestattet, bietet ,,SL” die notwendige Ergonomie für den Dauereinsatz. Der manuelle Arbeitstisch kann jederzeit durch einen motorischen Antrieb mit Joystick erweitert werden. Sowohl der manuelle als auch der motorische Tisch ermöglichen hohe Präzision während des Schweißprozesses. Durch den schwenkbaren Laser wird die Zugänglichkeit maximiert. Die Laserleistung ist durch das innovative Leistungsstufen - Konzept von 60 Watt bis 500 Watt modular aufrüstbar.
In der Grundversion sind die Anlagen ausgestattet mit:
- Leica Mikroskop 12 x Vergrößerung / 100 mm Arbeitsabstand
- Gaszufuhr über Magnetventil und Fußpedal
- Manueller x/y-Tisch mit 250 kg Tragfähigkeit
- Abnehmbares Display mit Magnethalterung
- Motorische Z-Achse für den Laserresonator
- Schwenkbarer Resonator
- Motorische Z-Achse für den Bearbeitungstisch
Das Herzstück unserer Hochleistungs-Laserschweißmaschinen ist ihr modularer Aufbau. So kann jedes Gerät an die spezifischen Anforderungen des Werkzeug- und Formenbaus angepasst werden - flexibel und jederzeit nachrüstbar. Dazu bieten wir Ihnen gerne auf Wunsch weitere Sonderlösungen für erhöhte Zugänglichkeit, Automatisierung und Leistungssteigerung an.
BESONDERE MERKMALE
- Motorische Fokusänderung
- Pulsformung für das Schweißen spezieller Legierungen
- Parameter-Speicher
- TLC - "Twin Lamp Cavity" und damit lange Lebensdauer des Laserstabs und hohe Stabilität und Qualität des Laserstrahls
- Fehlerspeicher und damit Fehleranalyse per Ferndiagnose
- hohe Pulsspitzenleistung
- Erweiterung auf Laserklasse 1 möglich
- Aufrüstung zum "Mobile Welder" jederzeit möglich
- Aufrüstbare Laserleistung bis 500 Watt
| Technische-Daten* | P 60 | P 120 | P 160 | P 220 | P 330 | P 420 | P 500 |
| Nd:YAG-Laser | Wellenlänge 1064 mm |
| Leistungsstufe | L1 | L1 | L1/L2 | L2 | L2/L3 | L3 | L3 |
| Mittlere Leistung in Watt | 60 W | 120 W | 160 W | 220 W | 330 W | 420 W | 500 W |
| max. Pulsenergie | 60 J | 80 J | 120 J | 120 J | 120 J | 120 J | 120 J |
| Pulsspitzenleistung | 6 kW | 9 kW | 13 kW | 13 kW | 13 kW | 13 kW | 13 kW |
| Pulsdauer | 0,5-20 ms | 0,5-20 ms | 0,5-50 ms | 0,5-50 ms | 0,5-50 ms | 0,5-50 ms | 0,5-50 ms |
| Pulsfrequenz | 0,5-20 Hz | 0,5-20 Hz | 0,5-20 Hz | 0,5-20 Hz | 0,5-40 Hz | 0,5-40 Hz | 0,5-40 Hz |
| Fokus-Durchmesser | 0,2-2,0 mm |
| Fokus-Änderung | motorisch |
| Pulsformung | nein | ja | ja | ja | ja | ja | ja |
| Blitzlampen | 1 | 2 | 2 | 2 | 2 | 2 | 2 |
| Programmspeicher | 50 Speicherplätze (erweiterbar auf 100) |
| Beobachtungsoptik | Leica Binokular mit Brillenträgerokularen |
| Netzspannung | 380 V / 3 Ph / 50 Hz |
| Kühlsystem | ------Wasser/Luft - integriert -------- | ---------Wasser/Luft - extern ---------- |















